Vielen Dank für Ihre Anfrage,
wir werden uns schnellstmöglich bei Ihnen melden.
Kann ich mich auf meinen Beratungstermin vorbereiten?
Grundsätzlich muss man sich auf den Beratungstermin nicht vorbereiten. Es schadet aber auch nicht, wenn man sich schon einmal ein paar Gedanken über sein Bad gemacht hat.
Als sehr hilfreich hat sich hier die Bad-Checkliste erwiesen.
Die Bad-Checkliste ist ein Fragebogen, bei dem man über seine Vorstellungen abgefragt und eventuell auch auf neue Ideen gebracht wird, oft ist es auch so, dass man selbst ganz andere Vorstellungen hat, als der Partner.
Grundsätzlich muss man sich auf den Beratungstermin nicht vorbereiten. Es schadet aber auch nicht, wenn man sich schon einmal ein paar Gedanken über sein Bad gemacht hat.
Als sehr hilfreich hat sich hier die Bad-Checkliste erwiesen.
Beispiel aus der BAD-Checkliste
Die Bad-Checkliste ist ein Fragebogen, bei dem man über seine Vorstellungen abgefragt und eventuell auch auf neue Ideen gebracht wird, oft ist es auch so, dass man selbst ganz andere Vorstellungen hat, als der Partner.
Was soll ich zu meinem Beratungstermin mitbringen?
- 1. Bilder
- 2. Maße
- 3. Fliesen (nur bei einer Teilsanierung)
Bilder von Ihrem Bad sind immer sehr hilfreich. Fotografieren Sie das ganze Bad, am besten mit der Weitwinkel-Einstellung auf Ihrem Handy.
Sie brauchen die Bilder nicht auszudrucken, bringen Sie einfach das Handy oder die Digitalkamera mit.





Fotografieren Sie Ihr Bad einmal ringsum.
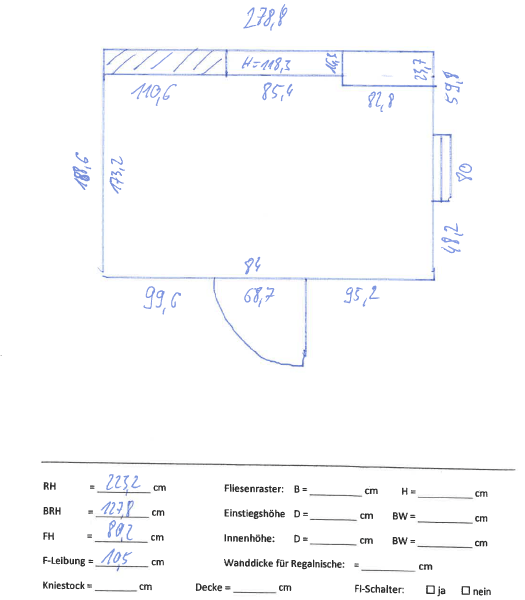
Das wichtigste für eine Badplanung sind die Maße und so einfach können Sie diese notieren und dann mitbringen.
Zeichnen Sie den Grundriss Ihres Bades auf und platzieren Sie die Tür und falls vorhanden das Fenster.
Dann tragen Sie die Maße ein. Höhenmaße können Sie einfach auflisten.
- Raumhöhe:
- Brüstungshöhe:
- Fensterhöhe:
- usw.:
Zeichnen Sie den Grundriss Ihres Bades auf und platzieren Sie die Tür und falls vorhanden das Fenster.
Dann tragen Sie die Maße ein. Höhenmaße können Sie einfach auflisten.
- Raumhöhe:
- Brüstungshöhe:
- Fensterhöhe:
- usw.:
Die Maße sind wichtig und sollten auch stimmen, müssen aber nicht auf den Millimeter genau sein.
Wenn Sie noch Ersatzfliesen gelagert haben, dann bringen Sie bitte eine Wand- und eine Bodenfliese mit.
Bei über 2000 Farben, mehr als 200 Dekoren, und unendlich vielen Bildern, helfen die von Ihnen mitgebrachten Fliesen, bei der Farb- oder Dekorauswahl.
Treffen Sie die richtige Wahl!
mein BAD – markus klein * Copyright 2025



